TI UCC14131-Q1は、GaNおよびSi MOSFETの駆動用12Vレギュレーション済みの入力から絶縁型の12V出力、および15Vレギュレーション済みの入力から絶縁型の15Vまたは18V出力を供給して、SiC MOSFETまたはIGBTのドライバ回路にバイアスを供給できます。UCC14131-Q1モジュールは、高精度により優れたチャネル拡張を実現し、パワー・デバイスのゲートに過大なストレスを与えずにシステム効率を向上させます。
特徴
- 絶縁トランス付きの完全統合型高密度絶縁型DC/DCモジュール
- IGBT、GaN、SiC、Si MOSFETを駆動する絶縁型DC/DC
- 入力電圧範囲:10V~18V、絶対最大定格32V
- TA ≤105℃で1.5Wの出力電力
- TA = 105°Cで、10V < VVIN < 18Vに対して1.0Wの出力電力
- (抵抗を使用した)可変シングルまたはデュアル出力電 圧により、動作範囲の全体にわたって±1.3%未満のレギュレーション精度を実現
- スペクトラム拡散変調と内蔵トランス設計による低電磁放射
- イネーブル、パワー・グッド、UVLO、OVLO、ソフトスタート、短絡、電力制限、低電圧、過電圧、過熱からの保護
- CMTI >150kV/µs
- 車載アプリケーション向けにAEC-Q100認定済み
- 温度グレード1:-40°C≤ TJ ≤150°C
- 温度グレード1:-40°C ≤ TA ≤125°C
- 機能安全規格に対応 - 機能安全システム設計に役立つ資料を利用可能
- 安全関連の認証計画:
- DIN EN IEC 60747-17 (VDE 0884-17) に準拠した強化絶縁耐圧:7071VPK
- 5000VRMS で1分間の絶縁(UL1577による)
- CQC GB4943.1準拠の強化絶縁
- 36ピンのワイドSSOPパッケージ
アプリケーション
- ハイブリッド、電気、パワートレイン・システム(EV/HEV)
- インバータとモーター制御
- オンボード(OBC)およびワイヤレスチャージャー
- 車載用DC/DCコンバータ
- モータドライブ
- 産業輸送
- グリッドインフラ
- EV充電ステーション・パワーモジュール
- DC充電(パイル)ステーション
- ストリングインバータ
- 商用サーバーのPSU
デバイス比較表
簡略アプリケーション
標準的なパワーアップ・シーケンス
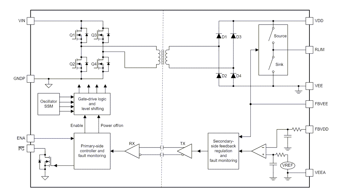
機能ブロック図
公開: 2024-03-11
| 更新済み: 2025-05-22

