TI UCC14241-Q1は、最大2W(標準) の高効率の絶縁出力電力を実現します。このデバイスは最小限の外付け部品しか必要とせず、オンチップ・デバイス保護と追加機能を備えています。これらの機能には、入力不足電圧ロックアウト、過電圧ロックアウト、過熱シャットダウン、出力電圧パワーグッドコンパレータ、ソフトスタートタイムアウト、調整可能な絶縁正負出力電圧、オープンドレイン出力パワーグッドピン、およびイネーブルピンなどがあります。
特徴
- 絶縁トランス付きの完全統合型高密度絶縁型DC/DCモジュール
- 駆動用の絶縁型DC/DC:IGBT、SiC、Si MOSFET
- 入力電圧範囲:21V~27V(絶対最大値32V)
- TA ≤ 85°Cで 2.0W、TA = 105°Cで>1.5W出力電力
- (抵抗を使用した)可変シングルまたはデュアル出力電圧により、動作範囲の全体にわたって±1.3%未満のレギュレーション精度を実現
- スペクトラム拡散変調と内蔵変圧器により、低い電磁放射を実現
- イネーブル、パワー・グッド、UVLO、OVLO、ソフトスタート、短絡、電力制限、低電圧、過電圧、過熱からの保護
- CMTI >150kV/µs
- 自動車アプリケーション向けAEC-Q100認定取得済み
- 温度グレード1:-40°C ≤TJ ≤ 150°C
- 温度グレード1:-40°C ≤ TA ≤ 125°C
- 機能安全システムの設計に役立つ機能安全対応の資料を利用可能
- 安全関連認証の取得を計画中
- DIN EN IEC 60747-17 (VDE 0884-17) に準拠した強化絶縁耐圧:7071VPK
- 5000VRMS で1分間の絶縁(UL1577による)
- CQC GB4943.1準拠の強化絶縁
- 36ピンのワイドSSOPパッケージ
アプリケーション
- ハイブリッド、電気、パワートレインシステム(EV/HEV)
- インバータおよびモータ制御
- オンボード(OBC)およびワイヤレスチャージャー
- DC/DCコンバータ
- モータドライブ
- ACインバータとVFドライブ、ロボットサーボドライブ
- グリッドインフラ
- EV充電ステーション・パワーモジュール
- DC充電(パイル)ステーション
- ストリングインバータ
- 産業用輸送
- オフハイウェイ車両向け電気式ドライブ
デバイス比較表
簡略アプリケーション
標準的なパワーアップ・シーケンス
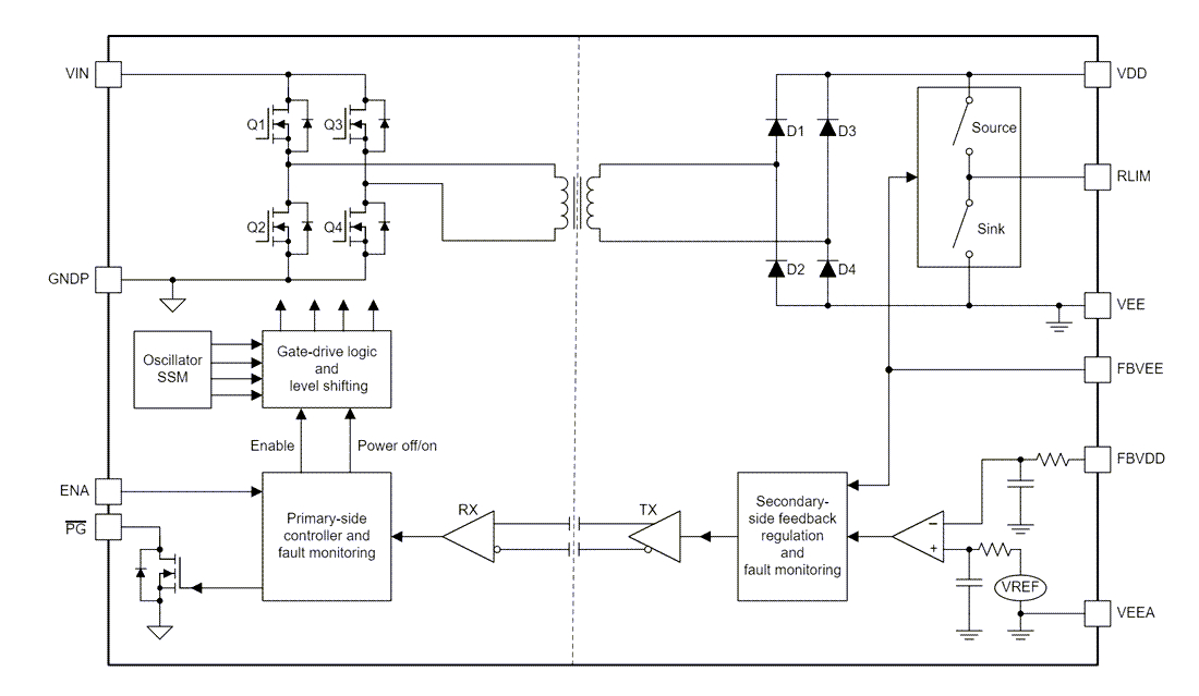
機能ブロック図
公開: 2024-03-11
| 更新済み: 2025-05-22

