TI UCC15240-Q1は、高効率で最大2.5W(標準値)の絶縁出力電力を備え、必要な外付け部品が最小限で、追加機能を備えたオンチップのデバイス保護機能が内蔵されています。このデバイスのこれらの機能には、入力低電圧ロックアウト、出力電圧パワーグッドコンパレータ、過電圧ロックアウト、過熱シャットダウン、ソフトスタートタイミング、調整可能な絶縁正負出力電圧、オープンドレイン出力パワーグッドピン、およびイネーブルピンなどがあります。
特徴
- 絶縁トランス付きの完全統合型高密度絶縁型DC/DCモジュール
- IGBT、SiC、Si MOSFET駆動用絶縁型DC/DC
- 入力電圧範囲:21V~27V(絶対最大値32V)
- 出力電力はTA ≤ 85°Cで 2.5W、TA = 105°Cで 2.0W
- (抵抗を使用した)可変シングルまたはデュアル出力電圧により、動作範囲の全体にわたって±1.3%未満のレギュレーション精度を実現
- スペクトラム拡散変調と内蔵変圧器により、低い電磁放射を実現
- イネーブル、パワー・グッド、UVLO、OVLO、ソフトスタート、短絡、電力制限、低電圧、過電圧、過熱からの保護
- CMTI >150kV/µs
- 自動車アプリケーション向けにAEC-Q100認定済み
- 温度グレード1:-40°C ≤TJ ≤ 150°C
- 温度グレード1:-40°C ≤ TA ≤ 125°C
- 機能安全システムの設計に役立つ機能安全対応の資料を利用可能
- 安全関連認定(計画済)
- DIN EN IECに準拠した基本絶縁:5657VPK
- 60747-17(VDE 0884-17)
- UL1577に準拠した絶縁耐圧:3000VRMS(1分間)
- CQC GB4943.1準拠の基本絶縁
- 36ピンのワイドSSOPパッケージ
アプリケーション
- ハイブリッド、電気、パワートレインシステム(EV/HEV)
- インバータおよびモータ制御
- オンボード(OBC)およびワイヤレスチャージャー
- DC/DCコンバータ
- 産業輸送
- オフハイウェイ車両向け電気式ドライブ
- グリッドインフラ
- EV充電ステーション・パワーモジュール
- DC充電(パイル)ステーション
- ストリングインバータ
- モータドライブ
- ACインバータとVFドライブ、ロボットサーボドライブ
デバイス比較表
簡略アプリケーション
標準的なパワーアップ・シーケンス
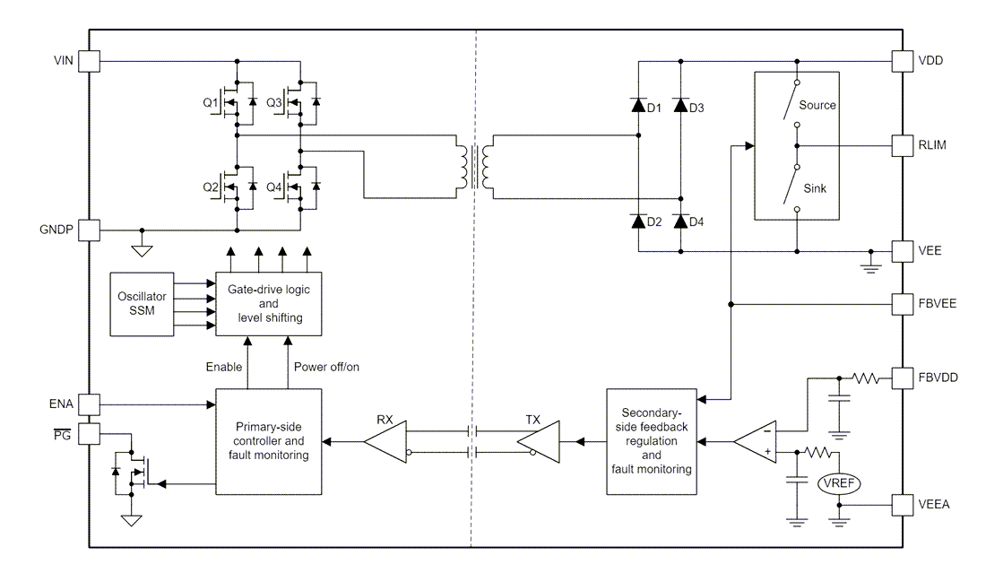
機能ブロック図
公開: 2024-03-11
| 更新済み: 2025-03-06

