オンチップ・デバイス保護機能を備えた完全統合型 TI UCC14340-Q1モジュールは、必要な外付け部品を最小限に抑え、オンチップ・デバイス保護機能と追加機能を備えています。この機能には、入力低電圧ロックアウト、出力電圧パワーグッドコンパレータ、過電圧ロックアウト、過熱シャットダウン、ソフトスタートタイミング、調整可能な絶縁正負出力電圧、オープンドレイン出力パワーグッドピン、およびイネーブルピンなどがあります。
特徴
- トランス内蔵高密度絶縁型DC/DCモジュール
- IGBT、SiC FET駆動用絶縁型DC/DC
- 入力電圧範囲:13.5V~16.5V、絶対最大値32V
- TA ≤ 105°Cで、13.5V <VVIN < 16.5Vに対して1.5Wの出力電力
- (抵抗を使用した)可変シングルまたはデュアル出力電圧により、動作範囲の全体にわたって±1.3%未満のレギュレーション精度を実現
- スペクトラム拡散変調と内蔵変圧器により、低い電磁放射を実現
- イネーブル、パワー・グッド、UVLO、OVLO、ソフトスタート、短絡、電力制限、低電圧、過電圧、過熱からの保護
- CMTI >150kV/µs
- 自動車アプリケーション向けにAEC-Q100認定済み
- 温度グレード1:-40°C ≤TJ ≤ 150°C
- 温度グレード1:-40°C ≤ TA ≤ 125°C
- 機能安全システムの設計に役立つ機能安全対応の資料を利用可能
- 安全関連認定(計画済)
- DIN EN IECに準拠した基本絶縁:5657VPK
- 60747-17 (VDE 0884-17) -UL 1577 に準拠した3000VRMS絶縁(1分間)
- CQC GB4943.1準拠の基礎絶縁
- 36ピンのワイドSSOPパッケージ
アプリケーション
- ハイブリッド、電気自動車、およびパワートレイン・システム(EV/HEV)
- インバータとモーター制御
- オンボード(OBC)およびワイヤレスチャージャー
- DC/DCコンバータ
- 産業輸送
- オフハイウェイ車両向け電気式ドライブ
- グリッドインフラ
- EV充電ステーション・パワーモジュール
- DC充電(パイル)ステーション
- ストリングインバータ
- モータドライブ
- ACインバータとVFドライブ、ロボットサーボドライブ
デバイス比較表
簡略アプリケーション
標準的なパワーアップ・シーケンス
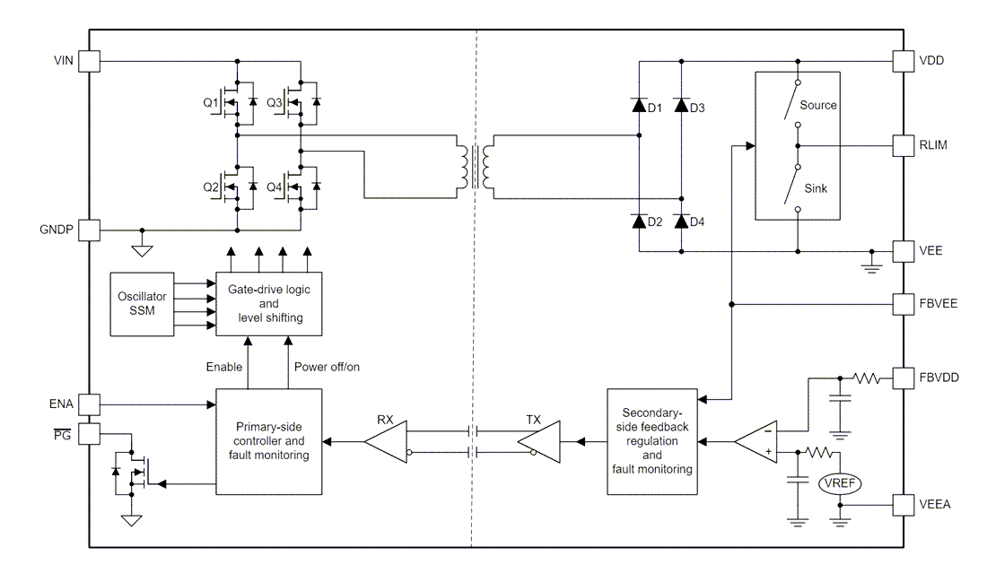
機能ブロック図
公開: 2024-03-11
| 更新済み: 2025-03-06

